

|
|
Optional Versions ? |
.HV (default) |
.ULT |
.UHV |
.ULT.UHV |
|
|
.HV version, default product; .ULT version, used at He3 or dilution cryogenics systems .UHV version, compatible with 2E-11 mbar |
||||
|
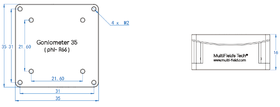
1 Footprint × hight |
35 × 35 mm × 16 mm |
||||
|
2 Weight |
70 g |
||||
|
Working Environment & |
|||||
|
3 Work environment |
Temperature range: 1.4 ~ 400 K Vacuum: 2e-7 mbar Max. Magnetic field: 18 Tesla |
||||
|
4 Option1 - 30 mK |
|
? |
|
? |
|
|
5 Option2 - 2e-11 mbar |
|
|
? |
? |
|
|
Materials |
|
||||
|
7 Mainbody |
Pure Ti |
BeCu |
Pure Ti |
BeCu |
|
|
8 Wires |
Phosphor Bronze Twisted Paired Wires, 20cm |
||||
|
9 Pin materials |
Polyster (glass fiber filled), BeCu |
Peek, BeCu |
|||
|
10 Pins number |
Driven - 2 pins, Sensor - 3 pins |
||||
|
Motion |
|||||
|
11 Travel range |
~ 10 ° |
||||
|
12 Max. Velocity @300 K |
~ 1 °/s |
||||
|
13 Drive voltage |
Max. 200 V |
||||
|
14 Max. Load |
500 g |
||||
|
15 Dynamic force |
3 N |
||||
|
16 Rotation center to top plate |
66 mm |
||||
|
Sensor (closed loop) |
|||||
|
17 Position encoder |
Resistive Sensor |
||||
|
18 Encoder range |
14 ° |
||||
|
19 Sensor resolution |
0.5 m° |
||||